Sicherheitseinrichtungen
Die Sicherheitseinrichtungen von Heizungsanlagen lassen sich grob in die beiden Bereiche Druckhaltung und Temperatursicherung einteilen.
Man unterscheidet im Wesentlichen zwei Typen von Druckhaltesystemen, die mit Membranausdehnungsgefäßen oder mit Fremddruckerzeugung arbeiten.
Bei der statischen Druckerhaltung mit Membranausdehnungsgefäßen (MAG) wird der Druck durch ein Stickstoffpolster im Gerät erzeugt. Um einen automatisierten Betrieb zu gewährleisten, werden MAG in der Regel in Kombination mit einer Nachspeise- oder Nachspeise- / Entgasungsstation installiert. Da der Druck im Ausdehnungsgefäß durch ein Gaspolster erzeugt wird, sind Wasserstand und Druck im Ausdehnungsgefäß direkt miteinander gekoppelt. Es ist daher nicht möglich, das gesamte Nennvolumen der Anlage zur Heizwasseraufnahme zu nutzen.
Der Gasdruck muss sowohl bei der Inbetriebnahme als auch bei den jährlichen Wartungsarbeiten kontrolliert und auf den Mindestdruck des Anlagensystems eingestellt werden. Zur Vermeidung von Kavitationen (Hohlraumbildungen im Heizwasser) wird empfohlen, auch bei Dachheizzentralen und Heizungen in Flachbauten den Betriebsdruck nicht unter 1 bar zu wählen und die geschlossenen Anlagen gezielt zu entlüften, um eine unerwünschte Anreicherung von Stickstoff zu verhindern.
Membran-Ausdehnungsgefäß
Funktionsweise
Bei der dynamischen Druckhaltung wird der Druck im Heizungssystem durch eine Steuereinheit mittels Pumpe und Überströmventil sichergestellt. Der Wasserstand wird dabei direkt gemessen. Das Ausdehnungsgefäß speichert das Heizwasser im drucklosen Zustand. Dadurch ist es - im Gegensatz zur statischen Druckhaltung -möglich, fast das gesamte Nennvolumen der Anlage zu nutzen. Der Mindestdruck wird an der Steuerung eingestellt.
Bei Heizungsanlagen sind nach der DIN 4751 - Teil 2 die Druckhaltepumpen und Überströmventile bezogen auf die Nennleistung auf eine Ausdehnungsgeschwindigkeit von 0,85 l/h kW g zu bemessen. Von diesem Richtwert, der sich für eine Kesseltemperatur von 140 °C ergibt, kann nur bei einem exakten rechnerischen Nachweis der erforderlichen Ausdehnungsgeschwindigkeit abgewichen werden.
Die hydraulische Einbindung der Druckhaltung in das Anlagensystem hat grundlegenden Einfluss auf den Arbeitsdruckverlauf. Dieser ergibt sich aus dem Ruhedruckniveau der Druckhaltung und dem Differenzdruck, der bei laufender Umwälzpumpe erzeugt wird. Man unterscheidet dabei mindestens drei Arten der Druckhaltung:
- Saugdruckhaltung: Die Druckhaltung wird auf der Ansaugseite der Umwälzpumpe eingebunden. Aufgrund ihrer Einfachheit ist dieses Verfahren sehr weit verbreitet.
- Enddruckhaltung: Die Druckhaltung wird auf der Druckseite der Umwälzpumpe eingebunden. Bei der Ruhedruckbestimmung muss ein anlagenspezifischer Differenzdruckanteil der Umwälzpumpe eingerechnet werden. Dieses Verfahren beschränkt sich auf relativ wenige Sonder-Anwendungsfälle.
- Der Messpunkt für das Ruhedruckniveau wird durch eine Analogiemessstrecke „in die Anlage“ verlegt. Das Ruhe- und Ausgangsdruckniveau kann optimal aufeinander abgestimmt und variiert werden. Wegen des hohen messtechnischen Aufwandes beschränkt sich der Einsatz dieses Verfahrens auf Anlagen mit komplizierten Druckverhältnissen.
Für die Temperatursicherung ist in Heizungsanlagen eine Reihe von Sicherheitseinrichtungen eingebaut. In der folgenden Auflistung sind die fünf wichtigsten kurz skizziert:
Membransicherheitsventile (MSV) sind bei geschlossenen Heizungsanlagen mit Membranausdehnungsgefäß und Vorlauftemperaturen bis 120 °C nach DIN 4751 - Teil 2 vorgeschrieben. Da diese Ventile die „letzte“ Sicherung für die Heizungsanlage darstellen, die bei einem Versagen aller anderen Sicherheitssysteme anspringt, muss für diesen Ventiltyp die Eignung durch eine Bauteilprüfung nachgewiesen werden. Über dieses Ventil kann im Notfall die gesamte Heizleistung des Kessels - in Form von Heißwasser und Dampf -abgelassen werden.
Sicherheitstemperaturbegrenzer (STB) schalten (im Unterschied zum Temperaturwächter s.u.) die Wärmezufuhr bei Erreichen einer Grenztemperatur von z.B. 100 °C ab und verriegelt sie. Die Wärmezufuhr kann nur mit Hilfe von Werkzeugen wieder hergestellt werden.
Wassermangelsicherungen (WMS) schalten die Wärmezufuhr ab und verriegeln sie, sobald ein bestimmter Mindestwasserstand unterschritten wird. Anlagen mit einer Nennwärmeleistung von über 150 kW müssen mit einer Bauteilgeprüften Wassermangelsicherung ausgerüstet sein und nach Fertigstellung formell abgenommen werden.
Temperaturwächter halten die Vorlauftemperatur entsprechend dem zuvor eingestellten Sollwert konstant. Sie unterbrechen die Wärmezufuhr, wenn die fest eingestellte Grenztemperatur überschritten wird, und geben die Wärmezufuhr automatisch wieder frei, wenn die Temperatur wieder (z.B. um 10 °C) gesunken ist.
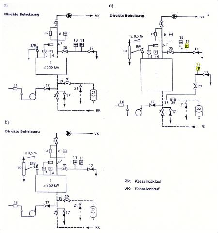
Die Abbildung zeigt die hydraulischen Schaltschemata für die Anordnung der Sicherheitseinrichtungen für verschiedene Heizkessel und Sicherheitstemperaturgrenzen.
Hydraulisches Schaltschemata
1) Heizkessel
2) Absperrventil Vorlauf/Rücklauf
3) Temperaturregler
4) Sicherheitstemperaturbegrenzer STB
6) Temperaturmesseinrichtung
7) Tauchhülse für Temperaturmesseinrichtung
8) Membransicherheitsventil MSV 2,5 bar/3,0 bar oder
9) Hubfedersicherheitsventil HFS ≥ 2,5 bar
10) Entspannungstopf ET in Anlagen > 350 kW – nicht in Anlagen bis 100 °C, wenn statt dessen zusätzlich je Heizkessel von STB mit einer Abschalttemperatur von 100 °C sowie ein Maximaldruckbegrenzer vorgesehen werden
11) Maximal-Druckbegrenzer – nur bei Sicherheitsventil > 3,0 bar
16) Rückflußverhinderer
13) Druckmessgerät
17) Kesselfüll- und Entleereinrichtung KFE
15) Wassermangelsicherung WMS – nicht in Anlagen ≤ 350 kW, wenn statt dessen je Heizkessel ein Minimal Druckbegrenzer oder Strömungswächter vorgesehen ist19) Ausdehnungsleitung
21) Entleerung vor Membranausdehnungsgefäß MAG20) Absperrarmatur, gesichert gegen unbeabsichtigtes Schließen durch z.B. verplombtes Kappenventil
22) Membranausdehnungsgefäß MAG
a) Heizkessel ≤ 350 kW und mit Sicherheitstemperaturbegrenzer ≤ 100 °C
b) Heizkessel > 350 kW und mit Sicherheitstemperaturbegrenzer ≤ 100 °C
c) Heizkessel mit Sicherheitstemperaturbegrenzer zwischen 100 und 120 °C


